AB Series Vibrator Motor
(Powerful vibration for flow-resistant materials)
Most commonly used in various types of vibration equipment, in particular for Feeder Screen Crusher, granular Hopper. Widely implemented in various small vibration devices. Perfect for short distance transfers due to the stable amplitude.
- Application
-
ANJIN Vibrator is used for various applied vibrating machines such as Feeder screen for pulverize, Hopper for powder and other compact vibrating machines, and its vibrating amplitude is suitable for short distance feed.
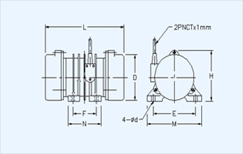
PRODUCT DETAILS
- Application
-
Vertical vibrator model that, due to the special 3-dimensional vibration motor, is limited to the circular vibration screen model. This motor is used only with a circular vibration screen. It can generate continuous vibration through powerful rotation.
- FEATURE
-
- Uses strong FCD 45 casting. (Frame Bearing Housing)
- Special steel is used to minimize error and stress.
- Uses high-load bearings capable of withstanding intensive rotation.
- Manufactured with IP54-grade water and dust protection.
- Uses B-type or superior Coil for outstanding insulation.
- Comfortably adjustable exciting force.
- SPECIFICATION & DIMENSION
-
| POLE |
MODEL |
VIBRATORY (kgf) |
OUT PUT (kw) |
CURRENT(A) |
Dimensions |
Boltdia |
Weight |
| a |
b |
c |
d |
H |
p.c.d |
| 4 |
ABV-15-4 |
1000/500 |
0.85 |
3.7 |
270 |
35 |
80 |
55 |
380 |
255 |
M14 |
50 |
| 4 |
ABV-20-4 |
1400/600 |
1.5 |
4.2 |
290 |
50 |
75 |
67 |
434 |
255 |
M16 |
75 |
| 6 |
ABV-16-4 |
1060/540 |
0.85 |
3.7 |
270 |
35 |
80 |
55 |
380 |
225 |
M14 |
65 |
| 6 |
ABV-34-6 |
2400/1000 |
1.5 |
4.2 |
290 |
50 |
75 |
67 |
434 |
255 |
M16 |
85 |
| 6 |
ABV-45-6 |
3000/1500 |
2.2 |
8 |
306 |
60 |
82 |
75 |
450 |
275 |
M18 |
180 |
- * Subject to change without prior notice
- PRODUCTS & SERVICES
-

Rotary Vibrator
Additional products/
Vibrator 2~4pole

Rotary Vibrator
Additional products/
Vibrator 6~8pole

Spring Vibrator
Additional products/
Vibrator Rubber spring vibrator

Air Piston Vibrator
Additional products/
Vibrator Air cushion vibro

Air Ball Vibrator
Additional products/
Vibrator Air Ball
- Application
-
AnJin Vibrator is used for various applied vibrating machines such as Feeder screen for pulverizer, Hopper for powder and other compact vibrating machines, and itsvibrating amplitude is suitable for short distance feed.
- High-Frequency Type
-

Purpose : For Filling, Bubble Removing, Table Vibrator

Purpose : For Feeder, Screen, Hopper, Table Vibrator, Big-Screen, Grizzly Feeder
-
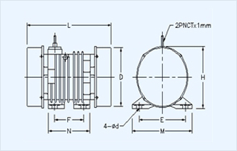
- HORIZONTAL VIBRATOR Specifications
-
| POLE |
MODEL |
VIBRATORY(kgf) |
OUTPUT(kw) |
CURRENT(A) |
WEIGHT(kg) |
DIMENTION |
BOLTDIA |
| D |
E |
F |
H |
L |
M |
N |
ΦD |
| 2 |
AB-2-2 |
200 |
0.15 |
0.7 |
8 |
100 |
110 |
130 |
112 |
205 |
130 |
160 |
10 |
M8 |
| AB-3.5-2 |
350 |
0.2 |
1.2 |
15 |
117 |
180 |
85 |
169 |
254 |
230 |
126 |
14 |
M12 |
| AB-6-2 |
600 |
0.4 |
1.8 |
24 |
117 |
180 |
100 |
169 |
274 |
227 |
138 |
14 |
M12 |
| 4 |
AB-6-4 |
600 |
0.2 |
1.3 |
25 |
162 |
180 |
100 |
170 |
315 |
228 |
142 |
14 |
M12 |
| AB-9-4 |
900 |
0.4 |
2 |
45 |
217 |
220 |
160 |
226 |
422 |
268 |
238 |
18 |
M16 |
| AB-17-4 |
1700 |
0.85 |
3.5 |
63 |
240 |
240 |
150 |
270 |
436 |
312 |
213 |
26 |
M20 |
| AB-34-4 |
3400 |
1.5 |
5.8 |
122 |
300 |
310 |
170 |
325 |
505 |
380 |
240 |
33 |
M30 |
| AB-52-4 |
5200 |
2.2 |
8.6 |
180 |
345 |
350 |
220 |
365 |
585 |
430 |
300 |
39 |
M30 |
| 6 |
AB-9-6 |
900 |
0.4 |
3.2 |
45 |
217 |
220 |
160 |
226 |
422 |
268 |
238 |
18 |
M16 |
| AB-13-6 |
1300 |
0.85 |
4.3 |
63 |
240 |
240 |
150 |
270 |
436 |
312 |
213 |
26 |
M20 |
| AB-24-6 |
2400 |
1.6 |
7.1 |
122 |
300 |
310 |
170 |
325 |
505 |
380 |
240 |
33 |
M30 |
| AB-34-6 |
3400 |
2.2 |
9.1 |
180 |
345 |
350 |
220 |
365 |
585 |
430 |
300 |
39 |
M30 |
| 8 |
AB-5-8 |
500 |
0.4 |
2.7 |
52 |
217 |
220 |
160 |
226 |
422 |
268 |
238 |
18 |
M16 |
| AB-10-8 |
1000 |
0.75 |
5.1 |
90 |
240 |
240 |
150 |
270 |
436 |
312 |
213 |
26 |
M20 |
| AB-20-8 |
2000 |
1.5 |
8.2 |
153 |
300 |
310 |
170 |
325 |
505 |
380 |
240 |
33 |
M30 |
| AB-32-8 |
3200 |
2.2 |
11 |
230 |
345 |
350 |
220 |
365 |
585 |
430 |
300 |
39 |
M30 |
- Any other spec's are available upon request: 415Volt/50Hz
- Calculation method for traffic volume (ABF Feeder)
- The following formula in applied for ABF Feeder capacity.
-
- Q=60(p · B · H · V) C1 · C2 · C3
- Q : Feeding capacity TON/HR
- r : Bulk density TON/M3
- B : width of Trough M
- H : Material depth of flow M
- V : Feeding speed M/min
- C1 : Grain size account
- C2 : Moisture account
- C3 : Trough slope account
-
◎ INCLINATION ANGLE (C1)

◎ CHARACTERISTIC (C2)

◎ PARTICLE SIZE (C3)

-
- AMPLITUDE
- When the vibrating body is pressed by a weak spring, the spring constant is negligibly small, thus the peak-to-peak amplitude is calculated as follows.

- If the acceleration of the vibrating body is n(g)

- Vibrator Selection Guide
- It is recommended to use the model that is the closest to the top right of the intersection between the total weight of the vibrating body and the amplitude. E.g., with a power source of 60Hz and the total weight of the vibrating body of 500 kg, the amplitude is 3 mm.
- Can use 2 HMD-0754 units. If only 1 is used, the amplitude reduces by 1/2. Vibration motor must be used at an amplitude equal to the limit amplitude specified in the table to the right (total amplitude) or lower.
- limit amplitude (total amplitude)
-
| Category |
50Hz |
50Hz |
| 4Pole |
4.5mm |
3mm |
| 6Pole |
9mm |
6mm |
| 8Pole |
15mm |
10mm |